| Estado de Disponibilidad: | |
|---|---|
| Cantidad: | |
Q11F
MSNL
Válvula de bola de acero inoxidable con brida DIN PN16/40 2PC
Descripción del diseño de la válvula de bola de acero inoxidable DIN :
1. Tamaño: 1/2 '' ~ 8 ''
2. Materiales: 1.4308, 1.4408, 1.4401, etc.
3. Presión: PN16/PN25/PN40
4. Bola flotante, paso total
5. Almohadilla de montaje ISO5211
6. Diseño de vástago a prueba de explosiones
7. Sello del asiento de PTFE/RPTFE (el material del sello del asiento puede decidirse a petición del cliente o según las condiciones de temperatura y medio de la válvula)
8. Diseño ignífugo y antiestático.
9. Operación: Volante, rueda helicoidal, actuador neumático y actuador eléctrico.
Especificación técnica de la válvula de bola de acero inoxidable DIN :
1. Estándar de diseño y fabricación: EN13709
2. Estándar de dimensión cara a cara: EN558
3. Estándar de brida: EN1092-1
4. Estándar de prueba e inspección: EN12266
Ventaja competitiva de la válvula de bola de acero inoxidable DIN :
1. BUENA CALIDAD
2. PRECIO RAZONABLE
3. ENTREGA A TIEMPO
4. EXAMEN ESTRICTO
5. SERVICIO SINCERO
6. DURADERO EN USO
7. EXPERIENCIA EXPORTADORA PROFESIONAL
Válvula de bola de acero inoxidable DIN, , diseño de cuerpo de dos piezas y plataforma de montaje de proceso conforme al estándar ISO5211. La válvula de bola de acero inoxidable DIN utiliza un asiento elástico con un daño mínimo y un par de operación más bajo. Los materiales estándar del cuerpo de la válvula son acero inoxidable 1.44081.4308 y acero al carbono 1.0619. El material de moldura estándar para la bola y el vástago es acero inoxidable 316. Para válvulas de acero al carbono DN65 y superiores, el ajuste estándar es de acero inoxidable 304. La válvula de bola de acero inoxidable DIN utiliza un vástago antiestático para garantizar un funcionamiento seguro.
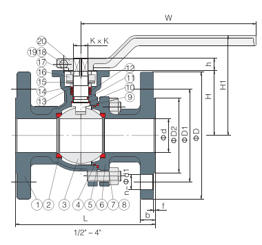
Lista de materiales de acero inoxidable DIN de la válvula de bola :
Nota Todos los datos deben confirmarse con los dibujos aprobados del fabricante.
Esperamos fortalecer la cooperación con varios sectores de la sociedad para crear brillantez juntos.
Válvula de bola de acero inoxidable con brida DIN PN16/40 2PC
Descripción del diseño de la válvula de bola de acero inoxidable DIN :
1. Tamaño: 1/2 '' ~ 8 ''
2. Materiales: 1.4308, 1.4408, 1.4401, etc.
3. Presión: PN16/PN25/PN40
4. Bola flotante, paso total
5. Almohadilla de montaje ISO5211
6. Diseño de vástago a prueba de explosiones
7. Sello del asiento de PTFE/RPTFE (el material del sello del asiento puede decidirse a petición del cliente o según las condiciones de temperatura y medio de la válvula)
8. Diseño ignífugo y antiestático.
9. Operación: Volante, rueda helicoidal, actuador neumático y actuador eléctrico.
Especificación técnica de la válvula de bola de acero inoxidable DIN :
1. Estándar de diseño y fabricación: EN13709
2. Estándar de dimensión cara a cara: EN558
3. Estándar de brida: EN1092-1
4. Estándar de prueba e inspección: EN12266
Ventaja competitiva de la válvula de bola de acero inoxidable DIN :
1. BUENA CALIDAD
2. PRECIO RAZONABLE
3. ENTREGA A TIEMPO
4. EXAMEN ESTRICTO
5. SERVICIO SINCERO
6. DURADERO EN USO
7. EXPERIENCIA EXPORTADORA PROFESIONAL
Válvula de bola de acero inoxidable DIN, , diseño de cuerpo de dos piezas y plataforma de montaje de proceso conforme al estándar ISO5211. La válvula de bola de acero inoxidable DIN utiliza un asiento elástico con un daño mínimo y un par de operación más bajo. Los materiales estándar del cuerpo de la válvula son acero inoxidable 1.44081.4308 y acero al carbono 1.0619. El material de moldura estándar para la bola y el vástago es acero inoxidable 316. Para válvulas de acero al carbono DN65 y superiores, el ajuste estándar es de acero inoxidable 304. La válvula de bola de acero inoxidable DIN utiliza un vástago antiestático para garantizar un funcionamiento seguro.
Lista de materiales de acero inoxidable DIN de la válvula de bola :
Nota Todos los datos deben confirmarse con los dibujos aprobados del fabricante.
Esperamos fortalecer la cooperación con varios sectores de la sociedad para crear brillantez juntos.
